COMPANY HEADER
Request Information
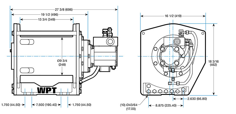
WPT Planetary Hydraulic Hoists are ideal for applications in the oil & gas, utility, and crane industries. WPT’s hoist designs adhere to SAE J706 standards and provide lifting capacities of 8,000 lbf and 12,000 lbf, respectively. WPT’s industrial hoists offer an efficient two-stage planetary design and compact footprint, ideal for mobile equipment.
Unit of Measure

Specifications

Brands

N/A WPT®

Gear Ratio

N/A 59:1

Weight

N/A 595 lb270 kg

Hydraulic Motor

Hydraulic Motor Flow

N/A 75 gal/min284 L/min

Hydraulic Motor Pressure

N/A 1700 lbf/in²12 MPa

Bare Drum

Bare Drum Line Pull

N/A 12000 lbf53 kN

Bare Drum Line Speed

N/A 154 ft/min47 m/min

Full Drum

Full Drum Line Pull

N/A 6600 lbf29 kN

Full Drum Line Speed

N/A 260 ft/min79 m/min

Drum Capacity

Drum Capacity

N/A 1/2 in438 ft

Cable Length Diameter

N/A 13 mm130 m

Features

Features

N/A
  • Efficient two-stage hydraulic planetary design
  • Multiple disc brake is spring-applied and hydraulically released
  • Easily serviced compact design
  • Manual override option available