COMPANY HEADER
Request Information
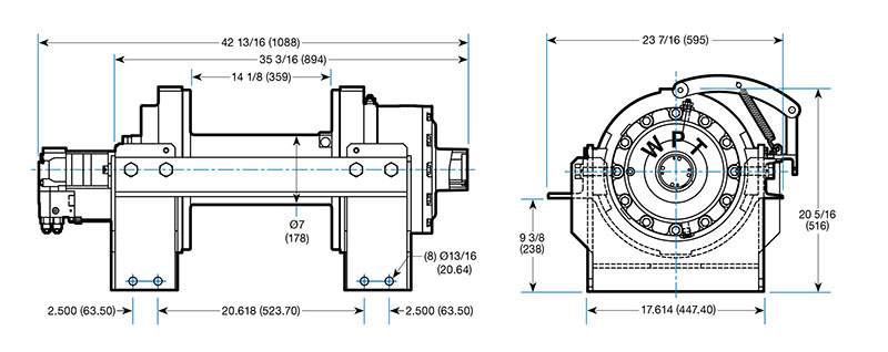
WPT Planetary Hydraulic Winches are designed for efficient performance in towing and recovery, utility, oil & gas, mining, and construction applications. These winches are engineered to SAE J706 standards with working capacities ranging from 6,000 lbf to 130,000 lbf. WPT Planetary Hydraulic Winches provide fast line speed and consistent, powerful pull capacity.
Unit of Measure

Specifications

Brands

N/A WPT®

Gear Ratio

N/A 52:1

Weight

N/A 800 lb360 kg

Hydraulic Motor

Hydraulic Motor Flow

N/A 25 gal/min95 L/min

Hydraulic Motor Pressure

N/A 3050 lbf/in²21 MPa

Bare Drum

Bare Drum Line Pull

N/A 45000 lbf200 kN

Bare Drum Line Speed

N/A 23 ft/min7 m/min

Full Drum

Full Drum Line Pull

N/A 25300 lbf112 kN

Full Drum Line Speed

N/A 40 ft/min12 m/min

Drum Capacity

Drum Capacity

N/A 3/4 in255 ft

Cable Length Diameter

N/A 19 mm78 m

Features

Features

N/A
  • Efficient two-stage hydraulic planetary design
  • Multiple disc brake is spring-applied and hydraulically released
  • Spring-loaded clutch design disengages for free spooling
  • Air shift operation